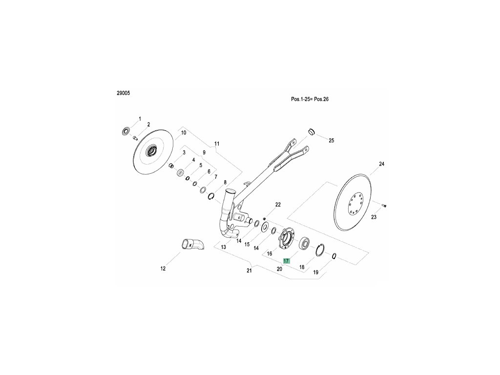
Ložisko
Doplňkové parametry
| Kategorie: | Secí kombinace |
|---|---|
| Hmotnost: | 0.251 kg |
Hodnocení produktu
Buďte první, kdo napíše příspěvek k této položce.
Diskuze
Buďte první, kdo napíše příspěvek k této položce.
Historie Kverneland Group se datuje do roku 1879, kdy zakladatel Ole Gabriel Kverneland postavil malou kovárnu v obci Kverneland. Specializuje se na těžší zemědělské nářadí určené větším zemědělcům s koňmi. První pluh Kverneland pro traktor je vyvinut v roce 1928.
V roce 2008 dochází ke sloučení produktových řad Taarup, Accord, Rau a Kverneland do jedné silné značky pod jménem Kverneland.
VÝROBNÍ TECHNOLOGIE KVERNELAND JE ZÁRUKOU VYSOKÉ PEVNOSTI kovových dílů.
